Редуктор червячный одноступенчатый 2Ч-80

80
Заказать
на заказ
Купить редуктор 80 в Ставрополе
Скидка при заказе с сайта
Купить редуктор 80 в Ставрополе
Цены ниже, чем у производителей
Купить редуктор 80 в Ставрополе
Доставка по России
Купить редуктор 80 в Ставрополе
Бесплатная помощь в подборе
Технические характеристики
Описание
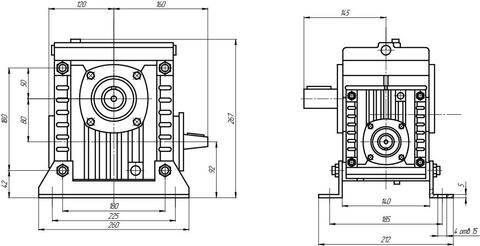
Габаритные и присоединительные размеры
Таблица подбора редуктора
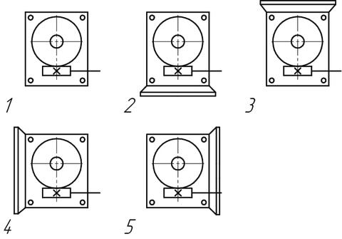
Варианты сборки
Варианты крепления
Варианты расположения червячной пары
Как купить

Технические характеристики 2Ч-80

НазваниеЗначение
Межосевое расстояние80
Передаточное отношение8, 10, 12,5, 16, 25, 31,5, 40, 50, 63, 80
Обороты вых. вала, об/мин9 - 190
Крутящий момент, Н*м170 - 260
Мощность двигателя, кВт0,55 - 5,5
Исполнение входного и выходного валовЦ, К, П (Цилиндрический, Конический, Полый)
Вес, кг19

Редуктор 2Ч-80 червячный одноступенчатый — это надежное и эффективное решение для промышленного оборудования, где нужна точная передача крутящего момента и снижение частоты вращения валов. Такие редукторы серии Ч, 1Ч и 2Ч широко применяются в механизмах общемашиностроительного назначения — от конвейерных линий и лифтовых систем до смесителей, шлюзовых затворов и подъемных устройств.

Одним из ключевых параметров конструкции считается межосевое расстояние — 80, от которого напрямую зависит компактность и допустимая нагрузка устройства. Это значение определяет габариты корпуса и влияет на монтаж в ограниченном пространстве производственных линий.

Основой конструкции является пара, состоящая из червяка и червячного колеса, обеспечивающая плавность хода, высокую кинематическую точность и низкий уровень шума при эксплуатации. Для эффективной работы важен показатель передаточные отношения — 8, 10, 12,5, 16, 25, 31,5, 40, 50, 63, 80, определяющий степень понижения скорости вращения между ведущим и ведомым валом.

Благодаря одноступенчатому универсальному принципу действия редукторы подходят для использования в самых разных условиях, включая длительную работу без перерывов и сложные режимы нагрузки. При этом значение обороты выходного вала — 9 - 190 позволяет подобрать оптимальный режим работы привода под конкретные технологические задачи.

Корпусы редукторов изготавливаются из чугуна или алюминиевого сплава, что гарантирует прочность, устойчивость к вибрациям и надежное охлаждение в процессе работы. В сочетании с этим важную роль играет крутящий момент — 170 - 260, который определяет способность редуктора выдерживать нагрузку без потери эффективности.

Редукторы 2Ч-80 с червячными колесами обладают самотормозящим эффектом, что делает их особенно востребованными в подъемно-транспортных механизмах, где важна безопасность вращения. В таких системах также учитывается мощность двигателя — 0,55 - 5,5, влияющая на производительность привода, и исполнение конца выходного вала — Ц, К, П (Цилиндрический, Конический, Полый), которое определяет тип соединения с рабочим механизмом.

2Ч-80-31.5-51-2-1-Квх/Квых, где

  • 2Ч — двухпоточный червячный редуктор;

  • 80 — межосевое расстояние, мм;

  • 31.5 — передаточное число;

  • 51 — вариант сборки (выходной вал справа, стандартное исполнение);

  • 2 — расположение червячной пары;

  • 1 — вариант крепления;

  • Квх/Квых — конические валы.

Габаритные и присоединительные размеры 2Ч-80

80

Исполнение валов

Входной конический вал

80

Выходной цилиндрический вал

80

Выходной полый вал

80


Таблица подбора червячного редуктора 2Ч-80

Наименование параметров

Техническая характеристикам

Передаточное число номинальное

8

10

12,5

16

20

25

31,5

40

50

63

80

Номинальный крутящий момент на выходном валу при основном, повторно-кратковременном режиме с продолжительностью включения ПВ=40%, Нм

250

224

250

224

Номинальный крутящий момент на выходном валу в непрерывном режиме с продолжительностью включения ПВ=100%, Нм

180

160

180

200

180

160

Допускаемая радиальная консольная нагрузка, приложенная к середине посадочной части входного вала, Н в режиме:

40%

500

100%

450

Допускаемая радиальная консольная нагрузка, приложенная к середине посадочной части выходного вала, Н в режиме:

40%

4200

100%

4000

Корректированный уровень звуковой мощности, дБА, не более

83

Масса, кг по вариантам сборки

51, 52

19,5

53

21,0

56

18,5

Частота вращения входного вала, об/мин

Коэффициент полезного действия, %

при номинальных передаточных числах

8,0

10

12

16

20

25

31,5

40

50

63

80

1500

89

88

87

84

83

81

74

73

68

62

60

1000

88

87

86

82

81

79

71

69

65

59

57

750

87

86

85

82

80

78

69

67

63

56

54

Допускаемая радиальная консольная нагрузка на входном валу 340 Н

Допускаемая радиальная консольная нагрузка на выходном валу

при вариантах сборки 51, 52 — 3000 Н

при вариантах сборки 53, 56 — 1500 Н

Варианты сборки

Варианты крепления

Варианты расположения червячной пары

Если вы хотите купить червячный редуктор 2Ч-80, оформите заказ на сайте или свяжитесь с нашими специалистами в форме обратной связи. Мы работаем напрямую с предприятиями и обеспечиваем поставку редукторов и других моделей в любой регион России.

Предлагаем только сертифицированное оборудование, соответствующее ГОСТу, с технической поддержкой и консультацией по подбору. Благодаря наличию на складе и оперативной доставке вы получите необходимые приводы в кратчайшие сроки и без простоев в производстве.

Задать вопрос
Оформление заказа

*Доставка в другие регионы осуществляется траспортными компаниями.
Услуги транспортной компании оплачивает клиент.

Спасибо за обращение!
В ближайшее время наши менеджеры
свяжутся с Вами.

Заказать звонок
Спасибо за обращение!
В ближайшее время наши менеджеры
свяжутся с Вами.